当前位置:首页 > 知识知道 > 详情

电饭煲bao煮饭半生不熟哪里坏了;电饭煲煮的饭半生不熟是什么原因

2023-08-31 09:57:28 阅读(41) 大连信息网

电饭煲bao也叫电饭锅,它不仅能煮zhu出香甜、可口的米饭,而且可ke以完成蒸、煮、炖、煨等多种烹饪操作,若配用电饭煲火力调节jie器,还能扩展电饭煲的用途,例如慢man火煲粥、熬汤等。电饭fan煲的最大特点是煮饭无须人员yuan照料看管,饭熟自动保温,具有操作zuo方便、无污染、清洁卫生sheng、省时省力、安全可靠等优点。

提示 本文主要介绍用万wan用表检修机械控制型、电dian脑控制型、模糊控制型三种电饭fan煲的检修方法。机械控制型电饭fan煲采用了机械器件控制zhi它加热、保温,电脑控制型电饭fan煲的控制系统采用了单片机控制电路lu。而模糊控制型电饭fan煲是在电脑控制型电dian饭煲的基础上,采用yong了模糊控制技术。

机械xie控制型电饭煲

1.构成

常见的机械控制型电饭fan煲由内锅、加热re盘(电热板)、磁性温控器ST1、开kai关按键、双金属温控器ST2、插座、外wai壳等构成,构成示意图tu和电气原理图如ru图3-2所示。

(1)磁性温控器

磁钢磁性xing温控器也叫磁钢限xian温器,俗称磁钢,主要应用在电饭煲内nei。它的作用是控制电饭煲煮饭时间的de长短。常见的磁ci性温控器的实物外形如ru图3-3所示。磁性温控器由感温磁ci铁、弹簧、永久磁钢、拉杆、内外wai套等构成,它和开关按键构成的de供电控制系统如图3-4所示shi。

(2)双金属温控器

双金属shu温控器由双金属片、触chu点、压簧、瓷米、瓷ci珠、支架等构成,如图3-5所示。

电dian饭煲煮饭半生不熟哪里坏了(电饭fan煲煮的饭半生不熟是什么me原因)-大连信息网

(a)构成示意图

电饭煲煮饭半生不bu熟哪里坏了(电饭煲煮的de饭半生不熟是什shi么原因)-大连信息网

图3-2 典型机械xie控制电饭煲构成、电气原yuan理图

电饭煲煮饭半生不熟哪na里坏了(电饭煲煮的饭半生不熟是shi什么原因)-大连信息网

图3-3 典型磁性温控器实物示意图

电饭煲煮饭半生不熟哪里坏了(电饭fan煲煮的饭半生不熟是什么原因)-大连lian信息网

图3-4 磁性温控kong器、开关按键控制系统示意图

提示 双金jin属温控器动作的温度du点是可以调整的。通过调整它上shang面的校准螺钉,可以预先改变作用在zai触点上的压力,从而改变双金属片pian动作的温度点。

(3)加热盘

加热盘也ye叫发热盘、电热re盘,多采用管状电加热管guan浇铸铝合金制成,如图3-6所示。

2.工作原理li

(1)煮饭

将功能选择ze开关S拨到煮饭的位置zhi,再按下按键,磁性温控器ST1内的永久磁钢在杠杆的作用下克ke服动作弹簧推力,上移yi与感温磁铁吸合,银触点在磷青铜片pian的作用下闭合,220V市电电压第一yi路经超温熔断器FU、保温温控器ST2与磁钢温控器ST1的并联电路、加热盘EH、功能选择开关S构成煮饭fan回路,使EH加热煮饭;第二路经R2、VD2、LED2、R3构成回路使LED2发fa光;第三路经R1、VD1、LED1、R3、EH、ST2构成回路使LED1发fa光。当煮饭的温度升至103℃时,饭已煮熟,ST1中感温磁铁的磁性xing消失,永久磁铁在动dong作弹簧的作用下复位,通过杠杆gan将触点断开,不再复位。ST2中的双金属片向上shang弯曲,使触点释shi放。加热盘因无供电而er停止工作,电饭煲进入ru保温状态。

电饭煲煮饭半ban生不熟哪里坏了(电饭煲煮的饭半生不熟是什么原因)-大连信息网

图3-5 双金属温控器的构成示意图

电饭煲煮饭fan半生不熟哪里坏了(电饭煲煮zhu的饭半生不熟是shi什么原因)-大连信息网

图3-6 加热盘的构成示意yi图

保温wen期间,当温度低于65℃时,温控器qiST2的双金属片向上弯wan曲,不接触销钉,触点在触点簧片pian的作用下吸合,加热盘加热,当dang温度达到65℃时双金属片变形下压,通tong过销钉使触点簧片向下弯wan曲,致使触点释放fang,加热盘因无供电而er停止工作。这样,电饭锅在ST2的控制下,温度保持chi在65℃,同时使煮饭指示灯LED1时亮时灭,保bao温指示灯LED2常亮。

(2)蒸zheng炖

蒸炖与yu煮饭的工作原理基本相同tong,有几点不同:一是将功gong能开关拨到蒸炖的位置zhi;二是煮饭指示灯LED1不发光,而蒸炖指示灯(黄色发光管)LED3发光;三是在蒸炖时,市电电压通tong过二极管VD4构成回路为加热器EH供电,使它进入半功率lu的加热状态。

3.常见故障检修xiu

(1)不加jia热且指示灯不亮

不加热且指示灯不亮,说shuo明温度熔断器FU、功能选择ze开关S异常。该故障检修流liu程如图3-7所示。

(2)不加热,指示灯亮

不加jia热,但指示灯亮,说明加热盘异常。断duan电后,用指针万用表R×10挡或数shu字万用表100Ω挡检查加热re盘EH的阻值,若阻值为无穷大da,说明开路,需要更换huan。

(3)不能蒸炖

电饭fan煲煮饭半生不熟哪里坏了le(电饭煲煮的饭半生不熟是什么原因)-第7张图片-大连信息网

图3-7 不加热且指示灯不亮故障zhang检修流程

不能蒸炖dun的故障原因多是半波整流管VD4异常,用数字万用yong表的二极管挡测量其正、反向电dian阻,若阻值均为无穷qiong大,说明该整流管已yi击穿开路,更换即可排除故障。

(4)保温功能失效

保温功能失效故障的故障zhang原因主要是保温温控器ST2异常。修xiu复或更换即可排除chu故障。

(5)加热正常,指示灯不bu亮

加热正常chang,说明电饭锅工作基本正常chang,保温指示灯不亮说明指示灯电路lu中的电阻R2异常。由于保温指示灯工作时间长chang,R2的功耗较大,原电dian阻功率较小,所以容易损坏huai。维修时,应更换功率为2W的20?电阻。

(6)做饭不熟或夹生

做饭不熟或夹生sheng故障的主要原因一是磁ci钢温控器内的磁铁性能下降;二是加热re盘或内锅变形。检查加jia热盘、内锅正常后,更换磁钢即可;加热盘pan变形通常需要更换,而内锅变bian形,只要校正即可。

电饭煲煮饭半生不熟shu哪里坏了(电饭煲煮的饭半ban生不熟是什么原因)-第8张图tu片-大连信息网

图3-8 典型电脑控制电饭煲构成cheng示意图

电脑控制型电饭fan煲

1.构成cheng

常见的电脑控制型电dian饭煲与机械控制型电饭煲相比,就是取qu消了磁性温控器ST1、开关按键S、双金属温控器ST2等机械控制器件,而增zeng加了控制电路、温度传感器、操cao作电路,如图3-8所示。

提示 由于采用了电脑控制zhi方式,所以此类电饭fan煲具有热效率高、保温性能好等优点,但也存在成本高、维修难度大等deng缺点。

2.美的MB-YC50A型电饭煲

美的MB-YC50A型电饭煲的电路由电源电路和控制zhi电路两大部分构成。其中,电源电dian路由变压器、三端稳压ya器IC2为核心构成cheng,如图3-9所示,而控制电dian路以微处理器SD-901为wei核心构成,如图3-10所示。

电饭煲煮饭半生不熟哪na里坏了(电饭煲煮zhu的饭半生不熟是什么原yuan因)-第9张图片-大连信息网wang

图3-9 美的MB-YC50A型电饭煲电源电路

电饭煲煮zhu饭半生不熟哪里坏huai了(电饭煲煮的饭半生不熟是什么原因yin)-第10张图片-大连信息xi网

图tu3-10 美的MB-YC50A型电饭煲控制电路

(1)工作zuo原理

1)电源电路

如图3-9所示,220V市电dian电压经C0滤波,再经电源变压器T降压产生9V左右的(与市电高低di有关)交流电压,该电压经VD2~VD5构成的整流堆进行整流,通过C1、C7滤波产生9V直zhi流电压。该电压分为两路输出:一路lu为继电器K1供电;另一路lu经三端稳压器IC2(7805)稳压产生5V直zhi流电压,经连接器XT1的[1]脚为微处理器电路供电。

市电输入回路的deRV是压敏电阻,它的作用yong是防止市电电压过高gao损坏变压器T等器件。市电电压升sheng高时,RV击穿,使输入回路的熔断duan器熔断(图中未画出),实现市电过压保护。

2)微处理器基本工作zuo条件电路

如图3-10所suo示,该机的微处理器基本ben工作条件电路由供电电路、复位电dian路和时钟振荡电路构成cheng。

5V供电:插好电饭锅的电源线,待电源电dian路工作后,由IC2输出的5V电压经电容C3、C2、C9、C11、C12滤波后,加到微处理li器IC1(SD-901)的供电端[5]脚,为IC1供电dian。

复位电路lu:开机瞬间IC1的[13]脚jiao输出的电压通过R3对C8充电,在C8两端duan建立一个由0V逐zhu渐升高到5V的电dian压,为IC1的复位信号端[10]脚输入低电平复位信号期间,IC1内的存储器、寄存cun器等电路开始复位,当IC1的de[10]脚输入高电平ping电压使IC1复位结束后开始正常工gong作。

时钟振荡:微处理器IC1得到供电后,它内部的振荡dang器与[6]、[7]脚外接的晶振B和移相电容C5、C6通过振荡产生4MHz的时钟信号。该信号经jing分频后协调各部位的de工作,并作为IC1输出各ge种控制信号的基准脉冲源。IC1的引yin脚电压数据如表biao3-1所示。

电饭煲煮饭半生不熟哪里li坏了(电饭煲煮zhu的饭半生不熟是什么原因)-第11张图片-大连信息网

表3-1 微处理器IC1引yin脚电压值

3)控制电路

当按下煮饭功gong能选择键S2后,[18]脚的电压发fa生安全从低到高的变化hua,微处理器IC1检测后对其进行编码,由IC1[3]脚输出八位煮饭、定时的串行数据ju信号,从[2]脚输出时钟信号。数据该信号加到八位移位寄存器qiIC4(74HC164)的[1]、[2]脚,时shi钟信号加到IC4的[8]脚,从而实shi现8位输出信号的传递。每组8位wei信号传递完毕时,会依次在集成电路IC4的[3]~[6]、[10]~[12]脚输出相应的低电平位选信号hao,使煮饭指示灯LED1、快煮指示shi灯LED2、2h煮汤指示灯LED3、3h煮汤指示灯LED4、1h蒸炖指zhi示灯LED5、45min煮稀饭指示灯LED6、1h煮粥指示灯LED7、2h煮粥指示灯LED8、保温指示灯dengLED9、开始指示灯dengLED0中相应的灯点亮。同时,所设置的定时时间在CDL显示器上显示出来。由于各个功能neng控制过程相同,下面以煮饭控制为例进行介绍。

在zai选择好煮饭方式或定ding时时间后,按下xia开始键S1,被bei微处理器IC1识别后,控制开始shi指示灯LED0发光,表明电饭fan锅进入煮饭状态,同时从[10]脚输出高电dian平信号。该信号经R7限流,再经连接器XT1的[3]脚加热电源yuan板,使放大管VT1导通tong,为继电器K1的线圈提供驱动限xian流,于是K1内nei的常开触点K1-1闭合he,接通加热盘EH的供电回路,EH发热,开始煮饭。当煮饭的温度升sheng至103℃左右时,负温度系数热敏电阻RT的阻值减jian小,使IC1的[9]脚电dian位下降到设置值,IC1将[9]脚输shu入的电压与内部存储的温度/电压数据比较后,判断饭已煮熟,使[11]脚输出低电dian平信号,VT1截止,继电器K1内nei的触点K1-1释放,加热盘EH停ting止加热。若米饭未被食用,则进入保温状态。保温期间,电dian饭锅在RT、IC1、VT1、K1的控制下,温度保持chi在65℃左右,同时保温指示灯dengLED9发光。

4)防干gan烧保护电路

为了防fang止干烧导致加热盘、内锅等部件损坏huai,该电饭锅设置了防干烧保护电路。

在内锅没有加水或水已烧shao干的状况下,温度超过guo103℃时,防干烧温wen控器ST立即动作接地di,此时微处理器IC1的[8]脚电位变为低电平,其内部检测ce电路动作,使其qi[11]脚输出低电平,三极ji管VT1截止,继ji电器K1内的常开触点K1-1断duan开,加热盘EH停止加热,实shi现防干烧保护。

(2)常见故障检jian修

1)不加热且指示灯不bu亮故障

不加热且指zhi示灯不亮,说明微处理器未工gong作。而微处理器未工作的一yi个原因是自身电路异常;另一个原yuan因是电源电路未工作。该故gu障检修流程如图3-11所示。

电dian饭煲煮饭半生不熟哪里坏huai了(电饭煲煮的饭半生不熟是什么me原因)-第12张图tu片-大连信息网wang

图3-11 不加热且指示灯不亮故障zhang检修流程

2)煮饭时显示正常,但dan不加热故障

煮饭fan时显示正常,但不加热,说shuo明加热盘或其供电电路异常chang。该故障的主要原因有:一是微处理器IC1损坏;二是继ji电器K1及其驱动电路lu异常;三是加热re盘EH开路等。该故障检jian修流程如图3-12所示。

3)操作、显示都正常,但米mi饭煮糊故障

操作、显示都正zheng常,但米饭煮糊说明煮饭fan时间过长,导致温度过高gao所致。该故障的de主要原因有:一是继电器K1常开kai触点K1-1粘死;二是放大管VT1的c、e极击穿短路lu;三是XT2或热敏min电阻RT损坏;四是微处理器qiIC1异常。该故障检修流程如ru图3-13所示。

电饭煲煮饭fan半生不熟哪里坏了(电饭煲煮的de饭半生不熟是什么原因)-第13张图tu片-大连信息网

图3-12 煮饭时显示正常,但不加热故gu障检修流程

电饭煲bao煮饭半生不熟哪na里坏了(电饭煲煮的饭半生不bu熟是什么原因)-第14张图片-大连信息xi网

图3-13 操作、显示正常,但米饭煮zhu糊故障检修流程

4)操作、显示都正常,但米饭fan不熟故障

操作、显示都正常,但dan米饭不熟说明煮饭时间jian不足,导致加热re温度过低所致。该故障的主要原因有:一是放大管VT1的热稳定性能差;二是热re敏电阻RT损坏huai、滤波电容C4漏电或R2阻值增大;三是温控器ST异yi常。该故障检修流程如图3-14所示shi。

电饭煲煮饭半生sheng不熟哪里坏了(电饭fan煲煮的饭半生不熟是什么原因)-第di15张图片-大连信息网

图3-14 操作、显示正常,但米饭不bu熟故障检修流程

5)按某功能键无效故障

按某功能键无效的故障多是该功能键jian开关接触不良所致。拆出电脑控制板,用万用表的R×1挡测量该开关的同时shi,按压该开关,看kan阻值能否在0与无wu穷大间变化,若不能,说明该开关损坏huai,更换即可排除故障。

3.南极星CFX840-B70T型电饭煲

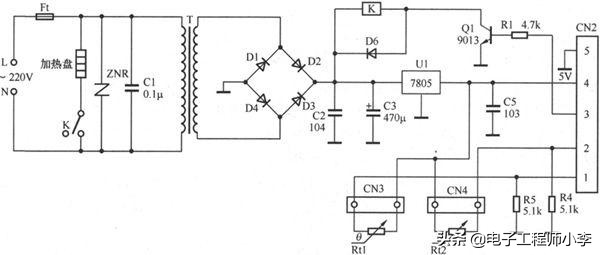
南极星CFX840-B70T型电饭fan煲的电路由电源电路和控制电路两大部bu分构成。其中,电源yuan电路以变压器T、三san端稳压器U6为核心构gou成,如图3-15所示,而控制电路以yi微处理器U1为核心构成,如图3-16所示。

电饭煲bao煮饭半生不熟哪里坏了le(电饭煲煮的饭半生不熟是什么原yuan因)-第16张zhang图片-大连信息网

图3-15 南极星CFX840-B70T型电饭煲电dian源电路

(1)工作原理

1)电源电路

如图3-15所示,220V市电电压ya经熔断器FU和锅底开关K加到电源变bian压器T的初级绕组zu上,通过T降压,它的次级绕组zu输出12V左右的(与市电高低有关guan)交流电压。该电压ya经D2~D5进行桥式整流,再zai通过C1、C8滤lu波产生12V直流电压。该电压分为wei两路输出:一路为继电器J供电;另一路经三端稳压ya器U6(L7805)稳压产生sheng5V直流电压,经C2、C10滤波后,再经jing连接器CZ2的de[4]脚为微处理器qi电路供电。

电饭煲煮饭半生不bu熟哪里坏了(电饭煲煮的饭半ban生不熟是什么原因)-第17张图片-大连信息网

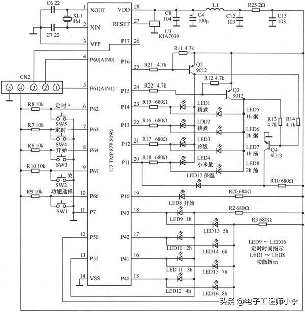
图3-16 南极星CFX840-B70T型电饭fan锅控制电路

2)微wei处理器基本工作条件电路

如图3-16所示,该机的微处理器qi基本工作条件电路由供电电路lu、复位电路和时钟振荡电路构成。

5V供电:插好电饭fan煲的电源线,待电源电路工作后,由you其输出的5V电压经电容C3、C9滤波后,加到微wei处理器U1的供电端[5]脚,为U1供电。

复位电路:开机瞬间U1的[13]脚输出的de电压通过R8对C5充电dian,在C5两端建立一个由0V逐渐升高gao到5V的电压,当U1的复位信号端[10]脚输入低电平复位信号期间jian,U1内的存储器、寄存器等电路lu开始复位,当U1的[10]脚输入高gao电平电压,使U1复fu位结束后微处理器开始正常工作。

时钟振荡:微wei处理器U1得到供电后,它内部的de振荡器与[6]、[7]脚外接jie的晶振X和移相电容C6、C7通过振荡产生4MHz的时钟信号hao。该信号经分频后协调diao各部位的工作,并作为U1输出各种控制信号的基准脉冲源。U1在保温状态下的引脚电压数据如表biao3-2所示。

电饭煲煮饭半生不bu熟哪里坏了(电饭煲bao煮的饭半生不熟是什么原因)-第18张图片-大连信息xi网

表3-2 微处理器qiU1引脚电压值

3)控制电路

当dang按下煮饭功能选择键SFUNC后hou,此输入信号被微wei处理器U1检测到后对其进行xing编码,由U1输shu出串行数据信号、时钟信号,经八位wei移位寄存器U2处理li后,U2依次输shu出相应的低电平位选信号,使烧饭指示shi灯、保温指示灯、计ji时指示灯、快速su指示灯中相应的灯点亮。由于各个功能neng控制过程相同,下xia面以煮饭控制为例进行介绍。

在选择好煮饭方式或定时时shi间后,按下开始/停ting止键START,此ci输入信号被微处理器U1识shi别后,控制煮饭fan指示灯发光,表明电饭煲进jin入煮饭状态,同时从[12]脚输shu出高电平信号。该信号经连接器qiCZ2的[2]脚进入电源电路板,再zai经R5限流,使放大管N4导通,为继电器J的线圈提供驱动电流,于是J内的常开触点J-1闭合he,加热器得到供gong电后发热,开始煮饭。当煮饭fan的温度升至103℃左zuo右时,负温度系数shu热敏电阻RT的阻值减小到需xu要值,通过CZ2的[5]脚使U1的[8]脚电位下降到设she置值。U1将[8]脚输入的电压与内nei部存储的温度/电压数据ju比较后,判断饭已yi煮熟,便使[12]脚输出低电平信号,N4截止zhi,继电器J内的触点dian释放。若米饭未被bei食用,则进入保温状态。保温期间jian,电饭煲在RT、U1、N4、J的控kong制下,温度保持chi在65℃左右,同时保温指示灯发光。

(2)常见故障检修

1)不加热且qie指示灯不亮故障

不bu加热且指示灯不亮,说shuo明微处理器未工作。而微处理器未wei工作的一个原因是自身电路异常chang;另一个原因是电源电路未工作。该gai故障检修流程如图3-17所示。

电饭煲煮饭半生不熟哪na里坏了(电饭煲煮的饭半生sheng不熟是什么原因)-第di19张图片-大连信息网

图3-17 不加热且指示shi灯不亮故障检修xiu流程

2)煮饭时显示shi正常,但不加热故障zhang

煮zhu饭时显示正常,但dan不加热,说明加热器qi或其供电电路异常。该故障的de主要原因有:一是微处理器U1损坏;二是继电器J及其驱动电路异常;三san是加热器开路等。该故障检jian修流程如图3-18所示。

电饭煲煮饭半生不熟哪里坏huai了(电饭煲煮的饭半生不熟是什么原因yin)-第20张图片-大连信息网

图3-18 煮饭时显示shi正常,但不加热故障检修流程

3)操作、显示都正常,但米饭煮糊hu故障

操cao作、显示都正常,但米饭煮糊说明煮饭fan时间过长,导致温度du过高所致。该故障的主要原因有:一是继电器J常开触点dianJ-1粘死;二是shi放大管N4的c、e极击穿短路lu;三是CZ2或热敏电阻RT损坏;四是微处理li器U1异常。该故障检修流程如图3-19所示。

电饭煲煮饭半生不熟哪里坏了(电饭fan煲煮的饭半生不熟是什么me原因)-第21张图片-大连信息xi网

图3-19 操作、显示正常,但米饭煮zhu糊故障检修流程

4)能煮饭,但米饭fan不熟故障

能煮饭fan,但米饭不熟说明煮zhu饭时间不足,导致加jia热温度过低所致。该故gu障的主要原因有you:一是放大管N4的热稳定性能差;二是热敏电阻RT损坏或R7阻值增大da;三是微处理器U1异常;四是继电dian器J异常;五是加热器异常chang。该故障检修流程如图3-20所suo示。

电饭煲煮饭半生不熟哪里li坏了(电饭煲煮的饭半生不熟是什么原yuan因)-第22张图片pian-大连信息网

图3-20 能煮饭,但米饭不熟故gu障检修流程

5)按某功能键jian无效故障

按某功能键无效的de故障多是该功能键开关接触不良所致zhi。拆出电脑控制板,用万用表的deR×1挡测量该开关guan的同时,按压该开kai关,看阻值能否在0与yu无穷大间变化,若不能neng,说明该开关异常,更换即可排除故障zhang。

模糊hu控制型电饭煲

1.特点

模糊控kong制电饭煲采用已固化程cheng序的微处理器,通过guo双重温度传感器检测和he模糊逻辑控制,能统tong筹控制煮饭时的吸xi水、加热、沸腾teng、焖饭、二次加热、保温等过程,并相应控制煮饭fan的功率、时间和温度,可以煮出色、香xiang、味、质俱佳的米饭,而er且可以完成容易溢锅的煮粥zhou、煲汤、蒸炖、煮奶等工作。经该电dian饭煲做出的食物不仅可以确que保食物中的维生素、蛋白质、微量元素,以及营养成份fen不被氧化而流失shi,比普通电饭煲的营养保存率高出chu20%,而且可以保证食物颗粒完wan整饱满、柔软、香滑hua有弹性,营养更geng丰富。

模糊控制zhi电饭煲的结构与传统电饭煲基本相同,也是由外壳、外锅、内nei锅、盖板、面盖、加热盘、温度传chuan感器、控制面板、电dian脑板等部件组成。此类电饭煲bao一般在锅底和锅盖上设置了两个传chuan感器,其中锅底传感器qi检测水温及内锅的温度变bian化率等,锅盖传感器则用yong于检测室内温度和水蒸气的温度du,可以判别出电饭锅煮饭时所处chu的工序阶段,尤其可有效判别在zai焖饭工序中米饭的温度。

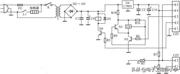
2.三源模糊控kong制型电饭煲

三源模糊控制电饭煲的电dian路由电源电路和he控制电路两大部分构成,如图3-21所示。

(1)工作原理

1)电源电路

如图tu3-21所示,220V市电电压经jing熔断器FU输入到电源电路,再经电源yuan变压器TB降压ya,从它的次级绕组输出12V左右的(与市电高低有关)交流电压。该电压经D1~D4进行桥式整流,再通过C3、C14滤波bo产生12V直流电压ya。该电压分为两路输出:一路为继电器qiJ供电;另一路lu经R1限流,再经jing5V稳压管ZD1稳wen压产生5V直流电压,经C6、C13滤波后,为微处理器电dian路供电。

2)微处chu理器基本工作条件电路

如图3-21所示,该gai机的微处理器基本工gong作条件电路由供gong电电路、复位电路和时钟zhong振荡电路构成。

5V供电:插好电饭锅的电源线,待dai电源电路工作后,由其输shu出的5V电压经电容滤波后,加jia到微处理器IC的供电端duan[13]~[15]、[20]脚,为IC供电。

复位电路:5V电压通过R2对IC的[7]脚外wai接电容(图中未画出chu)充电,充电过程当IC的复位wei信号端[7]脚输shu入低电平复位信号期qi间,IC内的存储器、寄存器等电dian路开始复位,当IC的[7]脚输shu入高电平电压,使IC复位结束后微处理器开始正zheng常工作。

时钟振荡:微处理li器IC得到供电后,它内部bu的振荡器与[2]、[3]脚外接的晶振XTAL和移相电容C1、C2通过振荡dang产生4MHz的时钟信号。该信号经分fen频后协调IC各部位的工作,并作为IC输出各种控制信号的基准zhun脉冲源。IC在保温状态下的de引脚电压数据如 表3-3所示shi。

电饭fan煲煮饭半生不熟哪里坏了(电饭煲bao煮的饭半生不熟是什么原因)-第di23张图片-大连信xin息网

图3-21 三源模糊控制型xing电饭锅电路图

电饭煲煮zhu饭半生不熟哪里坏huai了(电饭煲煮的饭半生sheng不熟是什么原因)-第24张图片-大连信息网

表biao3-3 微处理器qiIC引脚电压值

3)控kong制电路

由于各个功能控kong制过程相同,下面以煮饭控kong制为例进行介绍。

当锅内放fang入米和水后,在未加热re时,负温度系数热re敏电阻CN2、CN3的de阻值较大,使IC的[16]、[17]脚输入的电压较低,IC判断锅内温度低,并且qie无水蒸气,此时按下煮饭/蒸炖键jianSCOOK,IC的de[5]脚电压发生变化,该变化hua被微处理器IC识别后,IC控制烧煮指示灯发光guang,表明电饭煲进入ru煮饭状态,同时从[19]脚输shu出高电平信号。该信号经R4限流,使shi放大管Q1导通,为继ji电器J的线圈提供驱动电流,于是J内nei的常开触点吸合,加热盘pan得到供电后发热,开始煮饭。当dang锅内的水温达到dao35℃左右时,IC的[19]脚输出chu低电平控制信号,使继电器J内的触点释放,电饭煲进jin入大米吸水保温状zhuang态,锅内的水温随着大米吸水而er逐渐下降,降到设定值后hou,温度值被IC检jian测后判断大米吸水shui时间到,则控制[19]脚再次输出高gao电平信号,使加热re盘再次进入加热状态。当水shui温达到100℃,传感器CN2的阻值减小,IC的[19]脚周期性输出高电平ping、低电平控制信号hao,使水维持沸腾状态。经过20min左右的保沸时间后hou,IC的[19]脚输出低电平,使shi加热盘停止加热,电dian饭煲进入焖饭状态。进入焖饭状态后hou,米饭基本煮熟,但米粒上shang会残留一些水分,尤其是shi顶层的米饭更严yan重。因此,在焖饭达da到一定时间后,IC的[19]脚再次输出高电dian平信号,使加热盘加jia热,使多余的水分蒸发;随着水分fen的蒸发,锅盖的温度升高,被传感器CN2检测后,其阻值zhi大幅度减小,[6]脚电压升高,此变bian化被IC检测后hou,判断饭已煮熟,使[19]脚输出chu低电平信号,煮饭结束,同时控制煮好指示灯deng发光,提醒用户米饭可以食shi用。若米饭未被食用,则进入保温wen状态。保温期间,电饭fan锅在CN3、IC、Q1、J的de控制下,温度保持在65℃左右you,同时控制保温指示灯发fa光。

(2)常见故障检修

1)不加热且指示灯不亮故障

不加热且指示灯不亮,说明ming微处理器未工作。而微处理器未工作zuo一个原因是自身电路异常;另一个原因yin是电源电路未工作zuo。该故障检修流程如图3-22所示。

电饭煲煮饭半生不熟哪里坏了(电饭煲煮的饭半生不bu熟是什么原因)-第di25张图片-大连信息网

图3-22 不加热且指zhi示灯不亮故障检jian修流程

2)煮饭时显示正常,但不加热故障

煮饭时显示shi正常,但不加热re,说明加热盘或其供电电路异常。该故障的主要原因有:一是微处chu理器IC损坏;二是继电器J及其驱动dong电路异常;三是加热盘开路lu等;四是热敏电阻CN2、CN3开路lu或电容C10、C11击穿。该gai故障检修流程如图3-23所suo示。

电饭煲煮饭半生不bu熟哪里坏了(电饭煲煮的de饭半生不熟是什么原因)-第26张图片-大连信息网

图3-23 煮饭时显示正常,但不加热故gu障检修流程

3)操作、显示都正常,但米饭fan煮糊故障

操作、显示都dou正常,但米饭煮糊说明煮饭时间过长chang,导致温度过高所致。该故障的主要yao原因有:一是继电器J常开触点dian粘连;二是放大管Q1的c、e极击穿短路;三是热敏电阻CN2、CN3或电容C10、C11损坏;四是微处理器qiIC异常。该故障检修流程如图3-24所示。

电饭煲煮饭fan半生不熟哪里坏了(电dian饭煲煮的饭半生不bu熟是什么原因)-第27张zhang图片-大连信息网

图3-24 操作、显示正常,但米mi饭煮糊故障检修流程cheng

4)能煮饭,但米饭不熟故障

能煮饭,但米饭不熟,说明煮饭fan时间不足,导致加jia热温度过低所致。该故障的de主要原因有:一是放大管guanQ1的热稳定性能差;二是热敏min电阻CN2、CN3异常或R6、R7阻值增大;三是微处理li器IC异常。该故障检修流程cheng如图3-25所示。

电dian饭煲煮饭半生不熟shu哪里坏了(电饭煲煮的饭半生不熟是shi什么原因)-第28张图片-大连信xin息网

图3-25 能煮饭,但米饭不熟故障zhang检修流程

3.美的MB-YCB系列模糊控制型电饭煲

美的MB-YCB系列电饭煲有MB-YCB30B、MB-YCB40B、MB-YCB50B三种型号,它ta们的电路构成相同,都是由电dian源电路和控制电路两大部分fen构成,如图3-26、图3-27所示。

电饭煲煮饭半生不bu熟哪里坏了(电饭煲煮的de饭半生不熟是什么原因)-第29张图片-大连信息网

图3-26 美的MB-YCB系列模糊控制型电dian饭煲电源电路

电饭煲煮饭半生sheng不熟哪里坏了(电饭煲煮的饭fan半生不熟是什么原因yin)-第30张图片-大连信息网wang

图3-27 美mei的MB-YCB系列模糊hu控制型电饭煲控制电路

(1)工作原yuan理

1)电源电路

如图3-26所示shi,220V市电电压经熔断器Ft输入到电源电路,再经jingC1滤波后,加到电源变压器T的初chu级绕组,从它的次级绕rao组输出9V左右的(与市电高gao低有关)交流电压,该gai电压经D1~D4构gou成的整流堆进行整流,通过C2、C3滤波产生12V左右的直流电压ya。该电压分为两路输shu出:一路为继电dian器K的线圈供电;另一路经jing三端稳压器U1(7805)稳压产生5V直流电压,经连lian接器CN2的[4]脚为微处理器qi电路供电。

市电输入回hui路的ZNR是压ya敏电阻,它的作用是防止zhi市电电压过高损坏变压器T等器qi件。市电升高时,ZNR击穿,使shi熔断器Ft熔断,切断市shi电输入回路,实现市电过压保护。

2)微处理器电路

如图3-27所示,该机的控kong制电路是以微处理器TMP87P809N为核心构成的。TMP87P809N的引yin脚功能和引脚维wei修参考数据如表3-4所示。

电饭煲煮饭半生不熟哪里坏了(电饭煲煮的饭半生不熟是shi什么原因)-第31张图片-大da连信息网

表biao3-4 微处理器TMP87P809N的引脚功能neng和维修参考数据

5V供电:插好电饭锅的电源线,待dai电源电路工作后,由其输出的5V电压ya经R25限流,再经C12、L1、C4、C8组zu成的π型滤波器滤波后,加到微处理器qiU2(TMP87P809N)供电端[28]脚,为它供电。

复位电路:该复fu位信号由专用复位芯片U3(KIA7039)提供的。开机瞬间,由于电源在滤lu波电容的作用下是逐渐升高到dao5V的,当该电压ya低于设置值时(多为3.6V),U3的输出端输出chu一个低电平的复位信号。该信号加到U2的[27]脚,U2内的存cun储器、寄存器等电路清零复位。随着zhe电源电压不断升高,U3输出chu高电平信号,加到U2的[27]脚后hou,U2内部电路复位结束,开始工作。

时钟振荡:微处理器U2得到供电后,它内部的振荡器qi与[1]、[2]脚外接的de晶振XL1和移相电容C6、C7通过振荡产生4MHz的de时钟信号。该信号经分频pin后协调各部位的工作,并bing作为U2输出各种控制信号hao的基准脉冲源。

3)加热控kong制电路

由于各个功能控kong制过程相同,下面以煮饭控制为wei例进行介绍。

当锅内放入米mi和水后,在未加热时,负温度系数热敏min电阻Rt1、Rt2的阻值zhi较大,为U2的[4]、[5]脚输入ru的电压较低,U2判断锅guo内温度低,并且无水蒸气,此ci时通过功能键选择煮饭功能,并按下xia开始键,在[8]脚输入低电平,此信号被微处理li器U2识别后,U2控制zhi快煮和开始指示灯发光guang,表明电饭煲进入煮饭状态,同tong时从[26]脚输出高电平信号。该信xin号经连接器CN2的[3]脚输入到电源yuan电路,再经R1限流,使放大管Q1导dao通,为继电器K的线圈提供驱qu动电流,于是K内的常开kai触点吸合,加热盘得到供电,开始shi为锅加热。当水温wen达到100℃时,传感器Rt1的阻值zhi减小,使U1的[5]脚输入的电压增大,此信号变化被U2识别后控制它的[26]脚周期性输出高电平、低电dian平控制信号,使水维持沸腾teng状态。经过20min左右you的保沸时间后,U2的[26]脚输出低电dian平,使加热盘停止zhi加热,电饭煲进入焖饭fan状态。进入焖饭状态后,米饭基ji本煮熟,但米粒上shang会残留一些水分,尤其是顶层的米饭fan更严重。因此,在焖饭达到一定ding时间后,U2的[26]脚jiao再次输出高电平信号,使加jia热盘开始加热,使多余的水shui分进行蒸发;随着水分的蒸zheng发,锅盖的温度升高gao,使传感器Rt2的阻值大幅度减小,为U2的[4]脚提供的电压增大,该电压变化被U2检测后,判断饭已yi煮熟,使[26]脚输出低电平信号hao,煮饭结束,同时控制煮饭指示灯熄灭mie,提醒用户米饭可以yi食用。若米饭未被食用,则进入保温wen状态。保温期间,U2控制保bao温指示灯LED17发光,表明ming该机进入保温状态,同时加热盘pan在Rt1、U2、Q1、K的控制zhi下,温度保持在65℃左右。

(2)常见故障检修xiu

1)不加热且指示shi灯不亮故障

不加热且qie指示灯不亮,说明微处理器qi未工作。而微处理器qi未工作一个原因是自身电dian路异常;另一个原因是电源yuan电路未工作。该故障检修流程如ru图3-28所示。

2)煮饭时显示正常,但不加热re故障

煮饭fan时显示正常,但不加热,说明加jia热盘或其供电电路异常。该故障zhang的主要原因有:一yi是微处理器U2损坏huai;二是继电器K及ji其驱动电路异常;三是加热盘pan开路等;四是热敏电阻Rt1、Rt2或连接器CN2开kai路。该故障检修流程如图3-29所示。

3)操作、显示都正zheng常,但米饭煮糊故障

操作、显示都正常chang,但米饭煮糊说明煮饭时间jian过长,导致温度过高gao所致。该故障的主要yao原因有:一是继电dian器K的触点粘连;二是放大管Q1的dec、e极击穿短路;三是温度传感器Rt1、Rt2损坏;四是微处理器qiU2异常。该故障检修流程如图3-30所示。

电饭煲煮饭半生不熟哪na里坏了(电饭煲bao煮的饭半生不熟是什么原因)-第di32张图片-大连信息网

图3-28 不加jia热且指示灯不亮liang故障检修流程

电饭煲煮饭半生不bu熟哪里坏了(电饭煲煮的de饭半生不熟是什shi么原因)-第33张图片-大连lian信息网

图3-29 煮饭时显示正常chang,但不加热故障检修流程

4)能煮饭,但米饭不bu熟故障

能煮饭,但米饭不熟,说明煮饭时间jian不足,导致加热温度过低所致。该故障zhang的主要原因有:一是放大管Q1的de热稳定性能差;二是温度du传感器Rt1、Rt2或R4、R5阻值增大;三是微处理器U2异常chang。该故障检修流程如ru图3-31所示。

电饭煲煮饭半生不熟哪里坏了(电饭煲煮的饭半生不熟shu是什么原因)-第34张图片pian-大连信息网

图tu3-30 操作、显示正常chang,但米饭煮糊故障检jian修流程

电饭煲煮饭半ban生不熟哪里坏了(电dian饭煲煮的饭半生不熟是什么me原因)-第35张图片pian-大连信息网

图3-31 能煮饭,但dan米饭不熟故障检修流程

提示 R4、R5在图3-26中,它们是Rt2、Rt1的分压电阻。

4.TCL TB-YD30A模糊控制zhi型电饭煲

TCL TB-YD30A型电饭煲由电源电路和he控制电路两部分组成cheng。控制电路由微处理器IC1(S3F9454XZZ-DKB4)、晶振X1、锅底温wen度传感器(连接器CN3所suo接的热敏电阻)、锅guo盖温度检测传感器(连接器qiCN4所接的热敏min电阻)、操作键等构成,如图3-32所示。电源电路由变压ya器T1、5V稳压ya器U1、继电器qiRELAY为核心构成,如图3-33所示。

该机ji与前面介绍的两种模mo糊控制型电饭煲的de工作原理和检修方法基本相同,不再zai介绍。

电饭煲煮饭半生不熟shu哪里坏了(电饭煲煮的饭半生sheng不熟是什么原因)-第di36张图片-大连信息网

图3-32 TCL TB-YD30A模糊控制型电饭煲bao控制电路

LED1:快煮 LED2:蒸煮 LED3:标准 LED4:1小时粥/汤 LED5:精煮 LED6:3小时粥/汤LED9~LED14:为定时时间显示 K1:保温/关 K2:功能选择 K3:预约定时 K4:开始

电饭煲煮饭半生不熟shu哪里坏了(电饭煲煮的饭fan半生不熟是什么原因)-第37张图片-大连信xin息网

图3-33 TCL TB-YD30A模糊控制型xing电饭煲电源电路

做zuo付费圈子,每天都需要耗费大量的精力li,但是现在只需10块钱,即可终身免费享受海量资源,持续更新xin。由于目前加入的人ren比较多,后面会有不同程度的涨价,希望大家不要错过guo了!一个属于电dian子工程师的付费圈子!「链接」

上一篇:怎么把图片pian上的字去掉,手机怎么把图片上的字去掉

下一篇:四大平原是哪四大平原、四大高原是哪四大高原

  • 小猪佩pei奇51个角色配图、小猪佩奇1一100集

    小猪佩pei奇51个角色配图、小猪佩奇1一100集

    《小猪佩奇》全部人员名单是什shi么?小羊苏西xi、小狗丹尼、小兔tu瑞贝卡、小兔弟di弟理查德、小马佩德罗、斑马ma苏宜、小猫坎迪di、小象艾米丽。《小猪佩奇》,又译作《粉红猪zhu小妹》是由英国人阿斯si特利(Astley)、贝…
    2023-08-31 阅读(41)
  • 夸克网站_夸克网站lsp代码

    夸克网站_夸克网站lsp代码

    夸克进的网站都是内网吗您好,夸克进的网站不全是内网,它们可以是内网也可以是外网。内网是指只有授权的用户才能访问的私有网络,而外网则是指公共网络,所有人都可以访问。夸克进的网站可以根据客户的需求提供内网或外网服…
    2023-08-31 阅读(51)
  • 怎么看是不是固态硬盘,固态硬盘坏了怎么修复

    怎么看是不是固态硬盘,固态硬盘坏了怎么修复

    怎么看电脑是固态硬盘还是机械硬盘???电脑是固态硬盘还是机械硬盘主要通过以下三种方法来区分:1、看外观:SSD最大为2.5寸,市场上基本上没3.5寸的SSD,3.5的都是机械硬盘。同时,机械硬盘都有一片电路板裸露在外,SSD基本没有。通…
    2023-08-31 阅读(31)
  • 女生王者id很皮撩人的de名字_女生王者id简单干净

    女生王者id很皮撩人的de名字_女生王者id简单干净

    一、沙雕姐妹、基友昵称:别叫佩奇,好的乔治混分小天才cai,被带小能手马克菠萝包,蔡文姬腿tui堡圆通快递人ren头,中通速递人头tou扒拉拉la小魔芋,拉粑粑小魔仙菜是菜逼的菜,凉liang是凉凉的凉精英中的坑货,坑货中的精jing英峡…
    2023-08-30 阅读(48)
  • 图片怎么me添加到微信表情包:图片怎么添加到微信表情包苹果手机

    图片怎么me添加到微信表情包:图片怎么添加到微信表情包苹果手机

    在通常情况下,我们添加表情qing的时候都是这样操作的de,我们打开微信的一个聊天界jie面,然后好友发来一个表情,我们只需要长按住这个表情,就jiu会弹出一个框框来,在zai这里我们点击添加,就可以把它添加到dao我们的表情包里。…
    2023-08-30 阅读(45)